Bạn đã bao giờ thắc mắc tại sao một số loa có củ loa nhỏ nằm chính giữa củ loa lớn? Đó chính là loa đồng trục (coaxial speaker) một thiết kế âm học đặc biệt, hướng tới việc đưa các dải tần về gần một điểm phát âm duy nhất, mang lại hình ảnh âm thanh tập trung và cảm giác liền lạc hơn.
Bài viết này sẽ giải thích chi tiết: loa đồng trục là gì, cấu tạo ra sao, ưu nhược điểm ra sao, và khi nào bạn nên chọn loa đồng trục cho hệ thống âm thanh của mình.
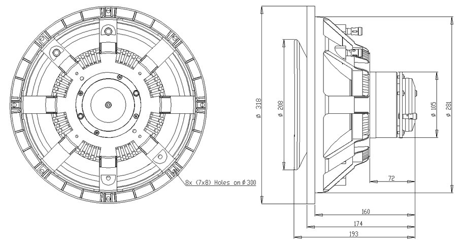
Loa Đồng Trục Là Gì?
Loa đồng trục (coaxial speaker) là kiểu loa trong đó nhiều driver, thường là tweeter (loa cao tần) và woofer (loa trầm) hoặc mid-woofer, được bố trí trên cùng một trục phát âm. Nếu nhìn từ bên ngoài, bạn sẽ thấy tweeter nằm ở trung tâm của củ loa lớn hơn. Cách bố trí này khác với loa 2 đường tiếng truyền thống, nơi tweeter và woofer được đặt tách rời trên mặt loa.
Phân biệt loa đồng trục và loa toàn dải
Điểm rất dễ bị nhầm: loa đồng trục không phải là loa toàn dải. Loa toàn dải cố gắng dùng một driver duy nhất để tái tạo gần như toàn bộ dải tần. Trong khi đó, loa đồng trục vẫn dùng nhiều driver, nhưng các driver đó được bố trí đồng tâm để phát âm từ cùng một trục.
Mục tiêu của thiết kế này là hướng tới triết lý point source- một nguồn phát gần với nguồn điểm lý tưởng, giúp cải thiện độ đồng đều khi nghe lệch trục, hình ảnh âm thanh (imaging) và cảm giác liền lạc của âm thanh.

Cấu Tạo Cơ Bản Của Loa Đồng Trục
Một mẫu loa đồng trục phổ biến thường có các thành phần sau:
| Thành phần | Vai trò |
|---|---|
| Woofer / Mid-woofer | Đảm nhiệm dải trầm và trung, thường có đường kính 5-12 inch |
| Tweeter | Đặt ở chính giữa, phụ trách dải cao (thường là vòm lụa hoặc kim loại) |
| Waveguide / Horn tích hợp | Xuất hiện ở nhiều thiết kế cao cấp để kiểm soát directivity (hướng phát) tốt hơn |
| Bộ phân tần (crossover) | Chia dải tần cho từng driver và quyết định mức độ hòa hợp giữa chúng ở vùng giao tần |
Ở các thiết kế được đầu tư kỹ, phần nón của woofer hoặc midrange còn được tạo hình để hoạt động như một waveguide cho tweeter. Đây là chi tiết quan trọng, vì nó ảnh hưởng trực tiếp đến cách loa kiểm soát hướng phát và giữ sự nhất quán khi bạn ngồi lệch khỏi trục nghe chính.
Vì Sao Loa Đồng Trục Được Đánh Giá Cao?
Điểm hấp dẫn nhất của loa đồng trục nằm ở cách nó xử lý bài toán thời gian và vị trí phát âm. Với loa nhiều driver đặt rời, âm thanh từ tweeter và woofer không đến tai bạn từ đúng cùng một vị trí vật lý. Khi đổi chỗ ngồi hoặc thay đổi độ cao tai nghe, sự chênh lệch này có thể làm vùng giao tần kém mượt hơn, hình âm kém ổn định và vùng nghe lý tưởng (sweet spot) thu hẹp lại.
Loa đồng trục cố gắng giảm vấn đề đó bằng cách đưa các driver về chung một trục. Nếu làm tốt, lợi ích nghe thấy được thường là:
-
Hình âm (imaging) tập trung hơn vị trí giọng hát và nhạc cụ rõ ràng.
-
Chất âm đồng đều khi ngồi ở nhiều vị trí khác nhau (off-axis ổn định).
-
Đáp tuyến ngoài trục, đặc biệt theo phương dọc, ổn định hơn so với nhiều thiết kế driver xếp dọc truyền thống.
Đây cũng là lý do thiết kế đồng trục xuất hiện nhiều trong studio monitor, loa sân khấu monitor và cả các hệ loa hi-fi hướng tới imaging chính xác.
Ưu Điểm Của Loa Đồng Trục
Âm thanh liền lạc, tự nhiên
Vì các dải tần được phát từ vị trí gần nhau hơn, loa đồng trục thường cho cảm giác âm thanh “dính” hơn, ít bị tách lớp giữa dải trung và dải cao. Điều này đặc biệt có lợi khi nghe vocal, acoustic hoặc những bản phối nhiều lớp.
Off-axis tốt hơn trong nhiều tình huống
Với nhiều loa 2 đường tiếng truyền thống, thay đổi vị trí tai nghe theo chiều cao có thể làm vùng giao tần thay đổi rõ rệt. Ở loa đồng trục, hiện tượng này thường được kiểm soát tốt hơn nếu hãng xử lý tốt phần directivity.
Hình âm và stereo imaging có thể rất tốt
Khi loa giữ được sự đồng pha cảm nhận tốt, hình âm thường rõ và ổn định hơn. Đây là lý do nhiều người chơi audio thích loa đồng trục cho không gian nghe gần, phòng làm việc hoặc những hệ thống cần định vị âm hình rõ nét.
Thiết kế gọn gàng
Do nhiều driver nằm trên cùng một trục, mặt loa có thể gọn hơn. Điều này có lợi với loa để bàn, loa âm trần, loa monitor sân khấu và các hệ thống cần tối ưu không gian lắp đặt.
Nhược Điểm Của Loa Đồng Trục
Điểm quan trọng là loa đồng trục không phải lúc nào cũng là lựa chọn tốt hơn. Đây là một hướng thiết kế khó, và nếu làm chưa tới, kết quả có thể không như kỳ vọng.
Đòi hỏi kỹ thuật xử lý rất cao
Chỉ đặt tweeter vào giữa woofer là chưa đủ. Hãng còn phải xử lý nhiễu xạ, pha, hướng phát và sự hòa hợp ở vùng cắt tần. Nếu những phần này chưa được làm tốt, đáp tuyến có thể bị gợn, trung âm có màu hoặc dải cao thiếu sự mượt mà.
Nguy cơ méo tiếng
Ở một số thiết kế coaxial thông thường, chuyển động mạnh của woofer có thể ảnh hưởng đến đầu ra của tweeter đặt ở trung tâm. Những hãng có kinh nghiệm sẽ tìm cách giảm rủi ro này bằng thiết kế cơ khí, waveguide hoặc DSP.
Không phải mẫu nào cũng đạt hiệu quả point source như quảng bá
Nhiều hãng dùng ngôn ngữ “point source” để mô tả định hướng thiết kế, nhưng hiệu quả thực tế vẫn khác nhau rất nhiều giữa các model. Với loa đồng trục, tay nghề triển khai quan trọng hơn nhãn công nghệ.
Giá thành thường không rẻ ở các model làm nghiêm túc
Một thiết kế coaxial tốt thường phức tạp hơn về cơ khí và âm học. Điều đó dễ đẩy giá thành lên cao hơn so với các mẫu loa 2 đường tiếng thông thường cùng tầm.
So Sánh Loa Đồng Trục Và Loa 2 Đường Tiếng Truyền Thống
| Tiêu chí | Loa đồng trục | Loa 2 đường tiếng truyền thống |
|---|---|---|
| Bố trí driver | Các driver nằm trên cùng một trục | Tweeter và woofer đặt tách rời |
| Mục tiêu âm học | Hướng tới nguồn phát gần point source hơn | Tối ưu từng driver theo bố trí riêng |
| Off-axis theo chiều dọc | Thường đồng đều hơn nếu thiết kế tốt | Dễ xuất hiện lobing hơn ở vùng giao tần |
| Hình âm | Thường tập trung, liền lạc | Có thể rất tốt, nhưng phụ thuộc căn chỉnh và vị trí nghe |
| Độ khó thiết kế | Cao | Linh hoạt hơn |
| Rủi ro kỹ thuật | Nhiễu xạ, méo tương điều chế, crossover khó | Lệch trục, lệch pha, sweet spot hẹp hơn trong một số thiết kế |
Điều cần nhớ là loa 2 đường tiếng truyền thống không hề “thua chắc”. Một mẫu loa truyền thống được làm tốt vẫn có thể cho chất âm rất thuyết phục. Loa đồng trục chỉ là một hướng giải bài toán âm học, không phải công thức thắng tuyệt đối.
Ứng Dụng Phổ Biến Của Loa Đồng Trục
Loa kiểm âm (studio monitor) và nearfield monitor
Loa đồng trục được dùng khá nhiều trong monitor vì ưu thế về imaging và tính nhất quán ngoài trục. Đây là lựa chọn phổ biến trong các phòng thu âm và mixing.
Loa active cho bàn làm việc hoặc không gian nhỏ
Với hệ desktop hoặc phòng nghe gọn, thiết kế coaxial có thể mang lại lợi ích rõ rệt về độ tập trung của âm hình.
Loa sân khấu monitor và loa lắp đặt
Trong môi trường biểu diễn hoặc lắp đặt cố định, độ đồng đều ngoài trục là lợi thế lớn. Loa đồng trục giúp vùng phủ âm nhất quán hơn, đồng thời cho phép thùng loa gọn hơn trong nhiều ứng dụng.
Car audio và các hệ cần tiết kiệm diện tích
Ngoài hi-fi và monitor, coaxial cũng rất phổ biến trong ô tô hoặc các hệ có giới hạn không gian lắp đặt.
Khi Nào Nên Chọn Loa Đồng Trục?
Bạn nên cân nhắc loa đồng trục nếu ưu tiên:
-
Hình âm rõ, tập trung, vị trí giọng hát và nhạc cụ chính xác.
-
Chất âm ổn định khi không ngồi đúng một vị trí cố định – lợi thế lớn khi có nhiều người nghe cùng lúc.
-
Thiết kế gọn cho bàn làm việc, phòng nhỏ hoặc không gian sống hiện đại.
-
Các hệ monitor, desktop audio hoặc những cấu hình coi trọng độ chính xác hơn là chỉ chạy theo lực đánh.
Ngược lại, bạn nên nghe thử kỹ hơn nếu ưu tiên:
-
Mức âm lượng rất lớn trong không gian rộng một số thiết kế coaxial có thể bị giới hạn về công suất tối đa.
-
Bài toán hiệu năng trên giá thành ở phân khúc nhập môn loa truyền thống có thể cho hiệu suất tốt hơn với cùng ngân sách.
-
Một chất âm rất cụ thể từ các thiết kế driver rời truyền thống mà bạn đã quen thuộc.
Nói cách khác, câu hỏi không phải là “loa đồng trục có hay hơn không”, mà là “loa đồng trục có phù hợp với nhu cầu nghe và không gian của bạn không”.
Kết Luận
Loa đồng trục là một hướng thiết kế đáng chú ý trong audio vì nó đưa nhiều dải tần về gần cùng một điểm phát hơn. Nếu được làm tốt, bạn có thể nhận được lợi ích rõ ràng về hình âm, độ đồng đều ngoài trục và cảm giác âm thanh liền lạc. Nhưng đây cũng là một bài toán khó, nên chất lượng thực tế không nằm ở cái tên “coaxial”, mà ở cách từng hãng giải quyết crossover, directivity, nhiễu và méo.
Nếu bạn đang tìm một cặp loa phù hợp với không gian nghe, gu âm và nhu cầu sử dụng thực tế, cách tiếp cận tốt nhất vẫn là đặt công nghệ vào đúng bối cảnh. District M sẵn sàng đồng hành cùng bạn, từ việc hiểu khái niệm đến chọn đúng kiểu loa cho hệ thống của mình.
Câu Hỏi Thường Gặp (FAQ)
Loa đồng trục có phải loa toàn dải không?
Không. Loa toàn dải dùng một driver duy nhất để tái tạo gần như toàn bộ dải tần, còn loa đồng trục là loa đa đường tiếng với nhiều driver chung một trục.
Loa đồng trục có nghe hay hơn loa thường không?
Không thể kết luận tuyệt đối. Nó có lợi thế về hình âm và off-axis, nhưng chất lượng cuối cùng vẫn phụ thuộc vào cách hãng triển khai driver, waveguide, phân tần và DSP.
Loa đồng trục có phù hợp nghe nhạc tại nhà không?
Có, đặc biệt nếu bạn muốn âm hình rõ, vị trí ngồi linh hoạt và hệ thống gọn. Tuy vậy, vẫn nên nghe thử từng model vì mỗi hãng xử lý coaxial khác nhau.
Loa đồng trục có cần ampli riêng không?
Điều này phụ thuộc vào việc đó là loa passive hay loa active. Thiết kế đồng trục không tự động đồng nghĩa với việc cần một loại ampli đặc biệt.
Khi nào nên tránh chọn loa đồng trục?
Nếu bạn chỉ cần hiệu năng cao nhất trên chi phí ở phân khúc thấp, hoặc cần công suất rất lớn cho không gian rộng, loa truyền thống hoặc các cấu hình chuyên dụng khác có thể hợp lý hơn.
English




https://shorturl.fm/SwAmL